《自考视频课程》名师讲解,轻松易懂,助您轻松上岸!低至199元/科!
全国2007年7月高等教育自学考试
信号与系统试题
课程代码:02354
一、单项选择题(本大题共12小题,每小题2分,共24分)
在每小题列出的四个备选项中只有一个是符合题目要求的,请将其代码填写在题后的括号内.错选、多选或未选均无分.
1.积分式
(3-t)dt等于( )
A.3
B.0
C.16
D.8
2.电路的品质因数越高,则( )
A.电路的选择性越好,电路的通频带越窄
B.电路的选择性越好,电路的通频带越宽
C.电路的选择性越差,电路的通频带越窄
D.电路的选择性越差,电路的通频带越宽
3.已知信号f(t)的波形如题3图所示,则f(t)的表达式为( )

4.某系统的输入信号为f(t),输出信号为y(t),且y(t)=f(3t),则该系统是( )
A.线性非时变系统
B.线性时变系统
C.非线性非时变系统
D.非线性时变系统
5.已知f(t)的波形如题5(a)图所示,则f(t)*[δ(t-1)+2δ(t+3)]的波形为( )




6.f(t)=(t-1)ε(t)的拉氏变换F(s)为( )
A.
B.
C.
D.
7.信号f(t)的波形如题7(a)图所示,则f(-2t+1)的波形是( )



8.已知f(t)的频谱为F(j
),则f(2t-4)的频谱为( )
A.-1/2F(j1/2
)e-j2ω
B.1/2F(j1/2
)e-j2ω
C.1/2F(j1/2
)e
D.2F(j2
)ej2ω
9.已知
则其原函数f(n)为( )
A.2nε(n)
B.-2nε(-n)
C.-2nε(-n-1)
D.无法确定
10.周期信号f(t)如题10图所示,其傅里叶级数系数的特点是( )

11.周期信号f(t)如题11图所示,其直流分量等于( )

12.若矩形脉冲信号的宽度变窄,则它的有效频带宽度( )
A.变宽
B.变窄
C.不变
D.无法确定
二、填空题(本大题共12小题,每小题2分,共24分)
请在每小题的空格中填上正确答案.错填、不填均无分.
13.周期矩形脉冲信号的周期越大,则其频谱的谱线间隔越__________________.
14.若电路中电阻R=1Ω,流过的电流为周期电流i(t)=4cos2πt+2cos32πt A,则其平均功率为__________________.
15.已知系统的激励f(n)=ε(n),单位序列响应h(n)=δ(n-1)-2δ(n-4),则系统的零状态响应yf(n)=_______________________.
16.若某连续时间系统稳定,则其系统函数H(s)的极点一定在S平面的__________________.
17.已知f(n)=2nε(n),令y(n)=f(n)*δ(n),则当n=3时,y(n)= ____________________.
18.已知某离散信号的单边Z变换为F(z)=
则其反变换f(n)= _______________________.
19.连续信号
的频谱F(jω)=_______________________.
20.已知f(t)=t[ε(t)-ε(t-2)],则
= _______________________.
21.已知f(t)的拉氏变换
,则f(t)*δ(t-1)的拉氏变换为____________________.
22.信号f(t)=te-2t的单边拉普拉斯变换F(s)等于_______________________.
23.信号f(t)=δ′(t)-e-3tε(t)的拉氏变换F(s)=_______________________.
24.已知RLC串联谐振电路的参数为:R=2Ω,L=4mH,C=0.1μf,则该谐振电路的品质因数Q=_______________________.
三、简答题(本大题共5小题,每小题4分,共20分)
25.简述周期信号频谱的特点.
26.什么是线性系统?
27.什么是通频带?
28.离散系统稳定的充分必要条件是什么?
29.请写出系统函数H(s)的定义式.
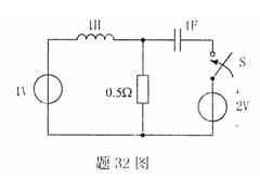
四、计算题(本大题共6小题,其中题30~题33,每小题5分,题34~题35,每小题6分,共32分)
30.信号f1(t)和f2(t)的波形如题30图所示,试用图解法求y(t)=f1(t)*f2(t).并画出y(t)的波形.




,求系统函数H(s),单位冲激响应h(t),并判断系统的稳定性.本文标签:深圳自考 历年真题 全国2007年7月高等教育自学考试信号与系统试题
转载请注明:文章转载自(http://www.szzikao.cn)
《深圳自考网》免责声明:
1、由于考试政策等各方面情况的调整与变化,本网提供的考试信息仅供参考,最终考试信息请以省考试院及院校官方发布的信息为准。
2、本站内容部分信息均来源网络收集整理或来源出处标注为其它媒体的稿件转载,免费转载出于非商业性学习目的,版权归原作者所有,如有内容与版权问题等请与本站联系。联系邮箱:812379481@qq.com